Altair推出適用於Twin Activate建模之模型庫:ThermoPower

最新消息

NEWS

Altair推出適用於Twin Activate建模之模型庫:ThermoPower
Feb.29,2024

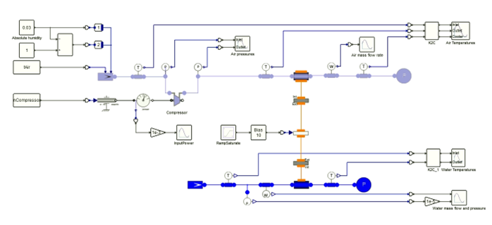
       您將可使用 ThermoPower 對熱電廠與能源轉換系統進行動態建模。

       Altair(納斯達克股票代碼:ALTR)技術公司,近日向使用者釋出了 ThermoPower 模型庫。

       ThermoPower 是由義大利米蘭理工大學於2002年開始開發至今日。其原生模型庫主要透過 Dymola 開發而成,目前以 Modelica 模型庫形式開源提供予相關專業人士利用。

       ThermoPower 主要應用於熱電廠系統模擬,且已知使用於各式能源轉換系統如:蒸汽產生器、複循環電廠、第三及第四世代核電廠、直接蒸汽發電太陽能電廠、有機朗肯循環發電廠和核融合應用的低溫電路等。

       Altair® Twin Activate™ 身為 Altair 數位孿生解決方案的出入口,能透過獨有的 block 圖塊建模環境對任何複雜系統和系統中的子系統進行建模模擬。最終得以將多學科/多物理場模擬與革命性的人工智慧(AI)、數據分析(DA)甚至高性能運算(HPC)技術融合在一起。

       現經由改寫 ThermoPower 原始碼(轉為.oml 格式)使其成為 Twin Activate 諸多動態建模能力之一,將令能源轉換領域相關模擬使用者獲得 Altair 提供的良好建模與系統整合體驗。


 

 

瑞其科技是"CAE與AI數據分析的專家",我們完成了許多成功的案例實績

▶ 現在就 聯絡我們,取得更多資訊。
▶ 訂閱 瑞其Youtube頻道,探索更多CAE與數據分析。

服務諮詢

軟體試用

公司簡介 最新消息 聯絡我們

若同意本網站之隱私權政策,請點選「CONFIRM」,若繼續閱覽本網站內容,即表示您同意我們使用 cookies 分析技術,更多資訊請瀏覽 隱私權聲明

CONFIRM